- 日本OMRON识别旋转编码器方向

- 日本OMRON识别旋转编码器方向
日本OMRON识别旋转编码器方向
响应频率达到120kHz的高速响应
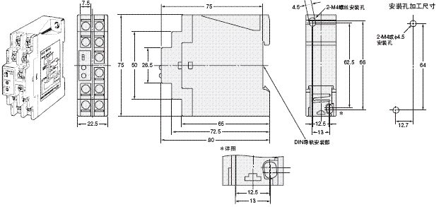
可以DIN导轨安装。超薄型,安装效率提升
输入来自编码器的位相差信号,输出旋转方向的识别信息
通过正面的切换开关,可实现Z相的逻辑反转。还可连接电
压输出、集电开路输出中的任意一种型号。日本OMRON识别旋转编码器方向
型号列表
Z-15G104-B-108
Z-15GA55-B5V
Z-15GK3A55-B5V
Z-15GWA55-B5V
Z-15GW2A55-B5V
Z-15GW44A55-B5V
Z-15GQ21A55-B5V
Z-15GQ22A55-B5V
Z-15GS-B
Z-15GS55-B
Z-15GD-B8
Z-15GD55
Z-15GD5-B7
Z-10FDY-B
Z-10FQY-B
Z-10FQ22Y-B
Z-10FWY-B
Z-10FW2Y-B
Z-10FW22Y-B
Z-15ER
Z-15E-B
Z-15EQ-B
Z-15EW
Z-15E103-B-108
Z-15GK55-B
技术参数
输入 输入信号 A、B、Z (相位差信号)
相位差 90°±45°以内
ON 0~2V 6mA以上
OFF 8~24V 1.5mA以下
输入短路电流 9mA
zui大施加电压 30V以下
输入阻抗 约1kΩ
输出 输出信号 UP/DOWN (方向识别)、
COUNTS OUTPUT (计数)、OUT Z
输出形式 集电开路输出
输出容量 施加电压: DC30V以下
负载电流: 80mA以下
残留电压: 1V以下(负载电流80mA时)
残留电压: 0.4V以下(负载电流20mA时)
zui高响应频率 120kHz
输出响应时间 2μs以下
显示 电源显示(红色)、Z相输出显示(绿色)
环境温度范围 工作时:-10~+55℃、保存时:-25~+80℃ (无结冰)
环境湿度范围 工作时、保存时:各35~85%RH (无结露)
振动(耐久) 10~55Hz 上下振幅1.5mm X、Y、Z各方向 2h
冲击(耐久) 300m/s2X、Y、Z各方向 3次
连接方式 端子台
材质 外壳 ABS
(包装后) 约100g
附件 使用说明书(不附带S3D8连接连接器)

