- 径向柱塞泵德国博世力士乐BOSCH-REXROTH

- 径向柱塞泵德国博世力士乐BOSCH-REXROTH
径向柱塞泵德国博世力士乐BOSCH-REXROTH
产品图

从下面的示意图是
可见:
▶压力连接的数量和位置
▶哪些气瓶合并。
圆点标识直接受到影响的圆柱体
压力连接谎言。
圆圈标识不直接在受影响的气瓶上
压力连接谎言。
虚线和虚线表示
在每种情况下哪些气缸被组合。
以行事的名义下的命令
压力连接是顺时针的。
压力口,顺时针到吸气口
是zui接近的,用P1标记。
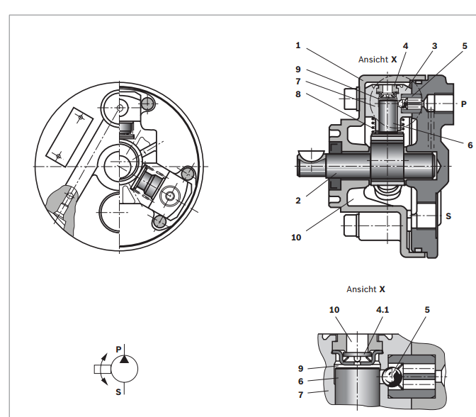
些泵是阀控的自吸式径向柱塞泵
与恒定的位移。
它们主要由外壳(1),偏心轴组成
(2)和泵元件(3)与吸入阀
(4),压力阀(5)和活塞(6)。
吸入和移位过程
活塞(6)相对于偏心轴(2)径向布置。
活塞(6)在气缸(7)中被引导并通过
按压偏心轮(2)上的弹簧(8)。 下移时
活塞(6)的工作空间增加
(9)在气缸(7)中。 由此产生的负面影响
超压提升了吸气阀板(4.1)
密封边缘。 这将从抽吸室进行连接
(10)到所产生的工作空间(9)。 工作空间填满
与液体。 在活塞(6)向上运动期间,
关闭吸入阀,压力阀(5)打开。该
液体现在流过压力口(P)径向柱塞泵德国博世力士乐BOSCH-REXROTH
系统集装箱操作条件的有效容积
定制。
▶不得超过允许的液体温度
是,可能更酷提供!
线路和连接
▶取下泵上的保护塞。
▶我们使用无缝钢管
根据DIN EN 10305-1和可拆卸的管道连接。
▶与连接相对应的管道的净宽度
选择(吸入速度1至1.5米/秒)。
▶进口压力见4页
▶安装前的管道和螺纹连接
仔细清理。
建议管道铺设
小号
P吸气管路
分钟50毫米
▶泄漏和返回液体不得在任何情况下
环境直接被吸回来,d。小时。zui大
吸入和返回线之间的距离
选择。剖面图

▶始终将回油口放在油位以下。
▶确保管道安装为防水。
过滤器
如果可能的话,使用回流或压力过滤器。
(吸气过滤器只能与真空开关/污染指标)。

